Precise detection of methane, natural gas, and biogas concentrations (300–10,000 ppm). The highly stable natural gas concentration sensor features a metal housing and standard 5V heating voltage design, delivering fast response and exceptional durability. The gas sensor supports adjustable load resistance and 24V DC power supply, ensuring real-time, reliable data feedback. Ideal for household explosion-proof alarms, gas leak monitoring, and industrial safety systems.
Feature

- Natural gas sensors are specifically designed to detect methane, natural gas, and biogas with high sensitivity, accurately identifying concentration changes between 300–10,000 ppm.
- Featuring a low-voltage design paired with 5V heating voltage and heating power consumption, the sensor achieves an optimal balance between energy efficiency and performance.
- The standard metal housing structure offers excellent resistance to oxidation, corrosion, and mechanical impact.
- The sensor design supports adjustable load resistance (1kΩ–20kΩ), allowing users to freely adjust settings based on application environments and detection systems to achieve optimal signal output and sensitivity balance.
- SUCH natural gas sensors undergo 48-hour preheating and rigorous factory calibration to ensure stable detection performance.
Dimension (unit: mm)

Pin Definition

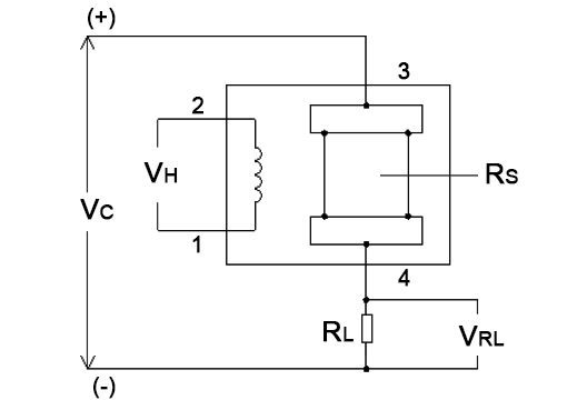
As shown in the diagram, pins 1 and 2 of the natural gas sensor connect to the heating circuit, while pins 3 and 4 connect to the measurement circuit. Provided the sensor's electrical performance requirements are met, the heating and measurement circuits may share the same power supply. Note: Pay attention to the prominent marking on the gas sensor; the two pins immediately adjacent to this marking are the heating electrodes.
Test Circuit

Note: The diagram above shows the basic test circuit for natural gas sensor. This gas sensor requires two voltage inputs: Heater voltage (VH) and test voltage (VC). VH is used to provide the sensor with a specific operating temperature and can be supplied by either a DC or AC power source. VRL is the voltage across the series load resistor (RL) of the sensor. VC is the test voltage applied to the load resistor RL and must be supplied by a DC power source.
Long-term Stability Curve

Note: The output voltage in the figure represents the voltage across the series load resistor (RL) of the gas sensor, with the horizontal axis denoting observation time. All tests depicted were conducted under standard conditions, with methane concentration set at 4000ppm.
Sensor Curve
Sensitivity Characteristic Curve
Temperature and Humidity Characteristic Curve