All Categories
    Menu Close
    Find a Sensor A - Z

    Non-Contact Rotary Torque Sensor, Shaft to Shaft, 50-50000 Nm

    SKU: SUCH-TQS-ZJ-A
    $1,812.68
    ● Capacity range 50-50000 Nm optional ● Sensitivity 1±0.2 mV/V ● Protection class IP65 ● Safety overload 150%F.S, breaking load 200%F.S
    *
    *
    *
    *
    *
    🚚 Free shipping
    🕒 Delivery date: 6-12 days
    🔁 30-day Returns
    Overview

    Non-contact rotary torque sensors for sale online. Shaft-to-shaft torque sensors have capacities ranging from 50 Nm, 100 Nm, and 500 Nm to 50,000 Nm. SUCH rotary torque sensors are non-contact and can measure both static and dynamic torque. The non-contact rotating torque sensors measure the electrical signal of an elastic shaft in torsion by powering a strain bridge. Torque sensor capacity can be customized according to customer requirements. You can purchase signal converters with 4-20mA/ 0-5V/ 0-10V outputs or RS485 communication for use with SUCH rotary torque sensors.

    Feature

    • The non-contact rotary torque sensor offers high detection accuracy, excellent stability, and strong anti-interference capabilities.
    • It can measure both static and dynamic torque. It can continuously measure forward and reverse torque without repeated zeroing.
    • The torque sensor is compact, lightweight, and easy to install.

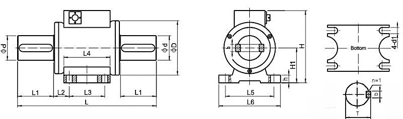
    Dimension (Unit:mm)

    Single Key (Default)

    Non contact torque sensor dimension

    Capacity Range Overall Dimension (mm) Shaft Couping Size (mm)
    H L D d b*n T L1
    50 Nm 114 188 78 18 6*1 20.5 31
    100 Nm 114 188 78 18 6*1 20.5 31
    500 Nm 135 238 96 38 10*2 22 55
    1000 Nm 143 270 106 48 14*2 27.5 70
    3000 Nm 187 347 144 75 20*2 42 105
    5000 Nm 187 347 144 75 20*2 42 105
    10000 Nm 214 389 158 98 28*2 55 118
    20000 Nm 225 420 168 105 28*2 28.5 125
    50000 Nm 301 480 240 150 40*2 84 150

     

    Capacity Range Base Support Size (mm) Max. Speed (rpm) Weight (kg)
    L2 L3 L4 L5 L6 H1 d1 h
    50 Nm 31 72 90 75 100 55 8 12 6000 5
    100 Nm 31 72 90 75 100 55 8 12 6000 5
    500 Nm 55 72 90 75 100 65 8 12 4000 8
    1000 Nm 70 69 90 78 120 68 12 15 3000 10
    3000 Nm 105 69 100 156 180 90 12 15 2000 25
    5000 Nm 105 69 100 156 180 90 12 15 2000 25
    10000 Nm 118 80 110 170 200 110 14 15 2000 40
    20000 Nm 125 88 125 180 205 115 14 15 1800 60
    50000 Nm 150 90 125 190 350 153 18 20 1500 11


    Details

    Non contact torque sensor details

    Specs
    Rotary Torque Sensor
    Shipping Weight 5~110kg
    Capacity Range * 0-50 Nm ~ 0-5000 Nm
    Accuracy * 0.2%F.S, 0.1%F.S
    Power Supply * ±15V ±5% DC (≥50mA), 24V DC
    Output Signal * 10kHz±5kHz, 4-20mA, 0-5V, 0-10V (add signal converter), RS485
    Max. Speed 6000 rpm
    Speed Range 0-1500rpm, 0-3000rpm, 0-4000rpm, maximum speed 6000rpm
    Speed Signal 60-2000 pulse/turn
    Temperature Drift on Zero <0.1%F.S/10°C
    Operating Temperature -20°C~+70°C
    Humidity ≤90%RH
    Insulation Resistance >500MΩ
    Stability 0.3%F.S/year
    Safety Overload 150%F.S
    Breaking Load 200%F.S
    Sensitivity 1±0.2 mV/V
    Power Consumption 4W
    Bridge Voltage DC 10V
    Material Alloy steel
    Protection Class IP65
    Electrical Connection Circular connector
    Wiring ±15V DC: Red: V+, Blue: V-, Green: Speed output, Yellow: Torque output, Black: GND
    24V DC: Red: 24V DC, Blue: Signal-, Green: Speed output, Yellow: Torque output, Black: GND
    Cable Length 2m (Φ5mm), or other customizable lengths
    Signal Converter
    Power Supply ±15V DC, 24V DC (±0.4V)
    Power Supply Dissipation Power Less than 1W
    Response Time ≥100mS
    Conversion Accuracy ±0.1%F.S
    Signal Input Optoelectronic isolation. It is used with rotary torque sensor.
    F/V Signal Output 0-5V, 0-10V
    F/I Signal Output 4-20mA
    Operating Temperature -20°C~+60°C
    Humidity 0-90%RH
    Wiring ±15V DC: Red: V+, Blue: V-, Green: Speed output, Yellow: Torque output, Black: GND
    24V DC: Red: 24V DC, Blue: Signal-, Green: Speed output, Yellow: Torque output, Black: GND
    Overall Dimension (mm) 158*95*55 (L*W*H)
    Istallation Dimension (mm) 143*43, 4-M3
    Application
    Rotary torque sensor of blender

    Blender

    Rotary torque sensor of conveyor belt

    Conveyor Belt

    Rotary torque sensor of generator

    Generator

    FAQ

    The contactless torque sensor offers long service life, no mechanical wear, high-speed capability, and excellent signal stability. Since there are no slip rings or friction parts, it requires less maintenance and delivers more reliable performance in continuous rotation applications.

    Factors such as shaft misalignment, temperature variation, and electromagnetic interference may affect output. Proper installation and shielding can minimize these effects.

    Since it has no contact parts, maintenance is minimal. Keep the non-contact rotary torque sensor clean, avoid overloading, and perform calibration checks periodically to ensure accuracy.

    0.0 0
    Write your own review Close
    *
    *