All Categories
    Menu Close
    Find a Sensor A - Z

    Vortex Flow Sensor for Water, 0.5~10 L/min, 14~240 L/min

    SKU: SUCH-WFS-AFD2
    $91.61
    ● 0.5~10 L/min, 14~240 L/min ● DN6/DN10/DN15 to DN32 ● RS-485/4-20mA/0-10V/PWM ● Water and aqueous solutions
    *
    *
    🚚 Free shipping
    🕒 Delivery date: 6-12 days
    🔁 30-day Returns
    Overview

    The vortex flow sensor for high-precision water flow detection covers multiple pipe diameters from DN6 to DN32, with optional wide measurement ranges enabling stable measurement from low to medium-high flow rates. The flow sensor supports multiple output formats including 0–10V, 4–20mA, frequency/pulse, and RS485, facilitating rapid integration into automated systems. With an IP65-rated overall structure, it operates stably over extended periods in environments ranging from −30 to 65 °C, suitable for water and aqueous solution media.

    Feature

    Vortex flow sensor feature

    • The vortex flow sensor supports multiple pipe diameters from DN6 to DN32 with a wide measurement range, meeting diverse flow measurement application requirements.
    • Employing a stable measurement algorithm, it maintains reliable accuracy under both low and high flow conditions.
    • SUCH vortex water flow sensors support multiple output formats, including voltage, current, frequency, pulse, and RS485, enabling flexible system integration.
    • The entire unit achieves an IP65 protection rating, ensuring long-term stable operation in humid or complex industrial environments.
    • The flow sensor exhibits excellent pressure and temperature resistance, making it suitable for measuring water and various aqueous solutions.

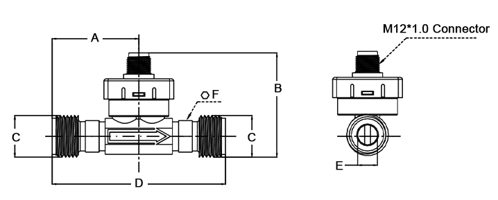
    Dimension (unit: mm)

    Vortex flow sensor dimension

    Diameter A B C D E F
    DN6 42 51.6 G 1/2 77 11.5 12
    DN10 43.5 52.5 G 1/2 87 11.5 19
    DN15 50.4 55.5 G 3/4 87 16 22
    DN20 52.5 59.3 G 1 105 20 27
    DN25 60 66.7 G 1¼ 120 26 34
    DN32 84.5 76 G 1½ 134 33 41


    Output Pin Diagram

    Vortex flow sensor output pin diagram

    Wiring Diagram

    Vortex flow sensor wiring diagram

    Specs

    Rang Select

    Pipe Diameter DN6 DN10 DN15
    Measurement Range 0.5~10 L/min 1.8~32 L/min 3.5~50 L/min
    Pipe Material PA6T PA6T PA6T

     

    Pipe Diameter DN20 DN25 DN32
    Measurement Range 5~85 L/min 9~150 L/min 1~240 L/min
    Pipe Material PPS PA6T PA6T


    Universal Specs

    Accuracy Full scale × ±1% (below 50% of full scale), reading × ±2% (at or above 50% of full scale)
    Measured Medium Water and aqueous solutions
    Maximum Pressure Rating 1 MPa
    Protection Rating IP65
    Fluid Temperature Range −20 to 90 °C (no freezing)
    Operating Ambient Temperature −30 to 65 °C
    Storage Ambient Temperature −30 to 85 °C
    Output Method 0–10 V, 4–20 mA, frequency, pulse, RS485 (optional)
    Electrical Parameters 0–10 V: 11.5–33 V (supply voltage), <10 mA (no load current consumption)
    4–20 mA: 10–33 V (supply voltage), no load current consumption
    Frequency and Pulse: 4.75–33 V (supply voltage), <5 mA (no load current consumption)
    RS485: 4.75–33 V (supply voltage), <10 mA (no load current consumption)
    Electrical Connection 5-pin plug M12×1
    Application

    Vortex flow sensor for heat recovery system

    Heat Recovery System

    Vortex flow sensor for food processing

    Food Processing

    Vortex flow sensor for tap water

    Tap Water

    FAQ

    The vortex flow sensor operates based on the von Kármán vortex street principle. Under specific conditions, when a fluid with a constant volumetric flow rate passes around a disturbance column, two rows of vortices with opposite rotational directions and regular arrangement form periodically on both sides of the column. After nonlinear interactions, these vortices form a Kármán vortex street. The formation frequency of these vortices is proportional to the flow velocity. The sensor detects these vortices to measure the flow rate of the fluid within the pipeline.

    Specifically designed for the home appliance and medical industries, providing solutions for scenarios such as water heaters, HVAC flow detection, heat recovery systems, and medical liquid flow monitoring systems.

    • Minimal sensitivity to ambient temperature with a wide operating temperature range.
    • Low pressure loss and high measurement accuracy.
    • Long service life, contamination resistance, and drift-free operation.
    0.0 0
    Write your own review Close
    *
    *