High quality S type miniature load cells can withstand both tension and compression, with capacities ranging from 0.5kg, 1kg, 5kg, 10kg, and 30kg to 200kg. They offer an accuracy of 0.05% F.S and operate within a temperature range of -20℃~+80℃. SUCH miniature load cell sensors are compact, stable, and offer high response speeds. They are easy to install, compact, and feature overload protection, making them suitable for use in confined spaces such as robotic arms and robots.
After purchasing one SUCH load cell, you can buy a special digital panel meter to obtain readings directly, or buy a transmitter to output standard signal to PLC, DCS and other systems. Customized output signal is 0-5V, 0-10V, or 4-20mA.
Note: The load cell cannot be connected to both the transmitter and the controller at the same time — only one can be selected.
Feature
- Bidirectional Force Measurement: S type load cells measure both tension and compression with a sensitive response, making them suitable for a variety of applications.
- High-Quality 17-4PH Stainless Steel: Constructed from high-quality 17-4PH stainless steel, these load cells are corrosion-resistant and highly resistant to mechanical fatigue.
- High-Precision Measurement: Utilizing high-precision strain gauges, these load cells can operate in extreme temperatures (high and low) and high-pressure environments.
- Easy Installation: Miniature load sensors are easy to install, with strong anti-interference wiring and stable signals.
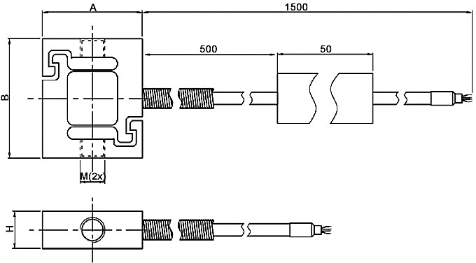
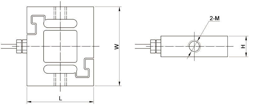
Dimension (Unit:mm)

| Capacity |
Dimension (mm)
|
| N |
kg |
M |
H |
A |
B |
| 5, 10, 20, 30, 50, 100 |
0.5, 1, 2, 3, 5, 10 |
M3 |
5 |
16 |
19.1 |
| 200, 300, 500 |
20, 30, 50 |
M4 |
6 |
16 |
19.1 |
| 250, 300, 500, 1000, 2000 |
25, 30, 50, 100, 200 |
M8 |
14 |
26 |
40 |
Force Mode

Wiring
