SUCH three-pulley wire rope tension sensor is a high-precision tension measurement device with a range of 0–100 kg, an operating voltage of 5–15 V, a safe overload rating of 150%, and a response frequency of up to 10 kHz. The sensor features a built-in overload protection mechanism, fast dynamic response, and stable performance. It is suitable for tension measurement and control of materials such as optical fiber, yarn, chemical fiber, metal wire, wire, cable, tape, and steel strip, and operates reliably in environments ranging from -20℃ to 80℃.
After purchasing one SUCH load cell, you can buy a special digital panel meter to obtain readings directly, or buy a transmitter to output standard signal to PLC, DCS and other systems. Customized output signal is 0-5V, 0-10V, 4-20mA, or RS485.
Note: The load cell cannot be connected to both the transmitter and the controller at the same time — only one can be selected.
Feature
- The tension sensor features high precision and stable measurement with a built-in overload protection mechanism and undergoes rigorous factory testing to ensure accuracy, stability, and reliability.
- It has a stable structure and excellent corrosion resistance, using a double-link hole design that supports both tension and compression with good output symmetry, easy installation, lightweight construction, and smooth adaptation to steel wire rope movement.
- The sensor is suitable for measuring the tension of optical fibers, chemical fibers, silk threads, metal wires, electrical cables, rubber belts, and steel belts, making it widely applicable in electronics, chemical industry, textiles, papermaking, and machinery fields
- The hexagonal waterproof connector includes a spring sheath to prevent wire breakage from pulling and provides strong resistance to corrosion and interference for stable signal transmission.
- Made of high-quality 42CrMo alloy steel with chamfered edges for smoothness and a sandblasted surface for fine texture and long service life.

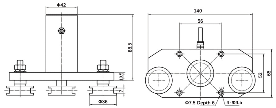
Dimension (Unit: mm)

Wiring Method

Installation Case
