All Categories
    Menu Close
    Find a Sensor A - Z

    Magnetic Absolute Encoder, Shaft, 12 Bit

    SKU: SUCH-RE-M58A
    $502.21
    ● Power supply voltage 5~30V DC ● Output signal RS485 free protocol ● Protection class IP65/IP68 optional ● Working temperature -30℃~85℃
    *
    *
    🚚 Free shipping
    🕒 Delivery date: 6-12 days
    🔁 30-day Returns
    Overview

    The SUCH single turn 12 bit magnetic absolute encoder uses hexadecimal encoding and is available in Φ6mm/Φ8mm/Φ10mm/Φ12mm shaft diameter. The output signal uses the RS485 free protocol. The starting torque of the absolute rotary encoder is ≤3Nm, and the power supply voltage is 5~30V DC. Absolute shaft encoders have strong shock and vibration resistance and are widely used in applications requiring monitoring or control, including industrial control, robotics, camera lenses, and servo motors.

    Feature

    • Equipped with reverse short-circuit and short-circuit protection, effectively reducing the impact of installation errors on the magnetic absolute encoder.
    • It features a wide power supply voltage range, supporting 5~30V DC power supply, adapting to various industrial power supply scenarios and offering strong practicality.
    • Utilizing high-precision magnetic induction technology, the single-turn encoder employs an RS485 free communication interface, adapting to different control requirements.
    • Its superior shock and vibration resistance effectively withstands mechanical shocks and vibration interference in industrial environments, ensuring signal stability.

    Magnetic absolute encoder feature

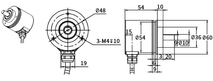
    Dimension (Unit:mm)

    Magnetic absolute encoder size

    Specs
    Dimension (Housing) Φ60mm
    Feature Shaft type with clamping flange
    Shaft Dimension Shaft type Φ6mm/Φ8mm/Φ10mm/Φ12mm optional
    Output Signal RS485 free protocol (angle, length, speed can be set)
    Power Supply Voltage 5~30V DC
    Single Turn Linear Resolution 12 bit 4096 line
    Number of Rotation Turns 4096 revolutions
    Encoder Hexadecimal
    Repeatability ±2 bit
    Current Consumption <50mA (24V power supply) no load
    Signal Adjustment Adjustable per revolution value, baud rate, address, direction, preset position, and external zero point
    Maximum Speed 3000r/min
    Shaft Load Radial 80N, axial 40N
    Protection Class IP65/IP68 optional
    Starting Torque ≤3Nm
    Working Temperature -30℃~85℃
    Storage Temperature -40℃~100℃
    Shock Resistance 1000m/s² 6ms (100g)
    Vibration Resistance 20g
    Connection Method 8-core shielded cable
    Application
    Absolute encoder for cnc machine tool



    CNC Machine Tool

    Absolute encoder for robot



    Robot

    Absolute encoder for motor



    Motor

    FAQ

    Magnetic encoders rely on magnetic fields for detection, while optical encoders rely on gratings and light. Optical encoders have slightly higher accuracy, while magnetic encoders are more wear-resistant and have a longer lifespan.

    The repeatability of an absolute encoder is the maximum deviation between measurements taken at the same position multiple times. The smaller the deviation, the higher the repeatability and the more stable the measurement.

    Regularly clean the encoder surface to remove oil and dust, and select the appropriate usage scenario based on the protection level. Avoid squeezing or pulling cables, and regularly check the condition of cables and connectors. Regularly check the bearing's operating condition and replenish lubricating oil as needed. Avoid incorrect parameter settings. Disconnect the power before performing wiring or disassembly operations.

    0.0 0
    Write your own review Close
    *
    *