This digital flow switch employs advanced sensing technology and supports multiple threaded interfaces (G1/2, G1/4, G1, M18×1.5) with various probe lengths (15mm to 60mm) for flexible installation. It offers multiple output signals, including PNP, NPN, relay, and 4-20mA, compatible with 24VDC, 110VAC, and 220VAC power supplies for strong adaptability. The digital display is intuitive and clear, with simple and convenient button settings. Operating with a 2-second response time and accuracy ranging from ±1 to ±10 cm/s, it is suitable for water and oil at 3-300 cm/s, and air at 200-3000 cm/s, meeting diverse industrial field requirements.
Feature

- SUCH digital flow switches feature significant enhancements in probe signal processing, alongside robust software operation and control capabilities. They offer simplified operation and convenient installation.
- The flow switch operates on a thermal exchange principle, incorporating an internal heating module and a heat-sensing module. Heat dissipation from the heating module correlates directly with the measured fluid velocity. Output options include PNP/NPN/4-20mA/relay signals.
- This flow switch supports both gas and liquid applications, suitable for flow interruption monitoring in gas and hydraulic systems, circulating water, cutting fluids, lubricants, and pump dry-running protection.
- The thermal flow switch incorporates precision electronic components widely used in aerospace and automotive industries. Its reliable and stable circuit design ensures highly accurate and consistent flow signals. It is currently extensively deployed across steel, metallurgy, pharmaceutical, and chemical industries.
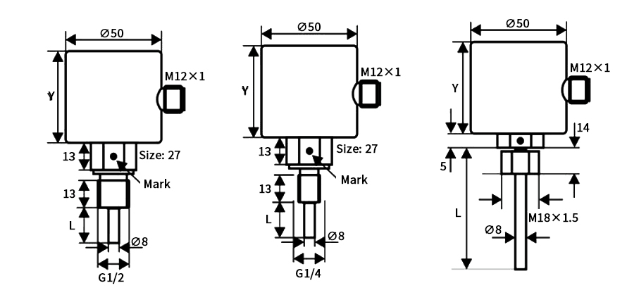
Dimension (unit: mm)

In the above dimensional drawing, the length of Y is determined by the power supply method, with two options available:
- 24VDC power supply: Y length is 45mm
- 85~265VAC power supply: Y length is 60mm
The length of L is determined by the sensor length you select, with five options available (i.e., 15mm, 20mm, 30mm, 45mm, 60mm).
Type Select

Detail

Wiring Diagram

Note: Dear User, the wiring diagrams above represent common configurations. For detailed information, please refer to the manual included with your shipment. This flow switch supports up to two digital outputs plus one analog output.