The intelligent thermal diffusion flow switch supports the detection of three types of media: Liquids, gases, and oils. Sensor lengths range from 15mm to 60mm, facilitating installation in pipes of various diameters. The flow switch offers multiple output options, including PNP, NPN, relay, and 4-20mA, and is compatible with 24VDC, 110VAC, and 220VAC power systems to meet diverse control requirements. The LED digital display interface is intuitive and clear, with convenient and efficient button settings. Installation interfaces offer G1/4, G1/2, and G1 thread specifications for flexible adaptation to on-site piping.
Feature

- The thermal diffusion flow switch employs microcomputer intelligent control with digital real-time display of flow percentage. Its intuitive and simple operation, coupled with high sensitivity, accurately reflects fluid flow changes.
- The flow switch supports multiple output modes, including PNP, NPN, relay, and 4-20mA. Switching range can be continuously adjusted to meet on-site requirements, ensuring signal compatibility with diverse control systems.
- The SUCH thermal dispersion flow switch features a design with no moving parts, ensuring stable and reliable long-term operation with minimal maintenance. It is suitable for diverse media environments, gases, and liquids.
- With an IP67 overall protection rating and multiple power supply options (24VDC, 110VAC, 220VAC), it offers easy installation and virtually no pressure loss, making it adaptable to various pipe diameter applications.
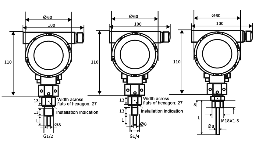
Dimension (unit: mm)

In the above dimensional drawing, the length of Y is determined by the power supply method, with two options available:
- 24VDC power supply: Y length is 45mm
- 85~265VAC power supply: Y length is 60mm
The length of L is determined by the sensor length you select, with five options available (i.e., 15mm, 20mm, 30mm, 45mm, 60mm).
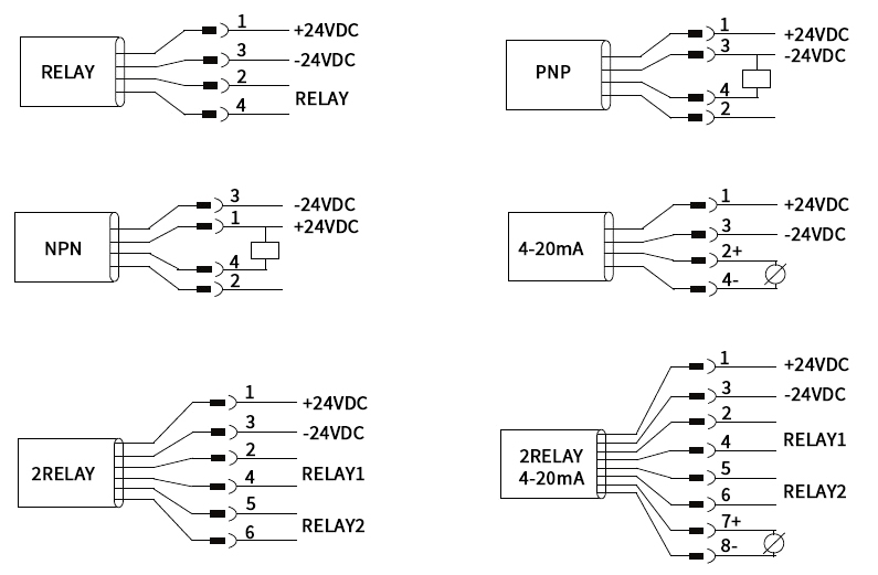
Wiring Diagram

Note: The wiring diagrams above represent common configurations. For detailed information, please refer to the manual included with your shipment. This flow switch supports up to two digital outputs plus one analog output.
Installation Guide

- When installing, ensure the flow switch is positioned opposite the direction of water flow.
- If sediment is present in the pipeline, refer to this installation method.
- a ≥ 3D
- a: Distance between installation point and elbow
- D: Pipe diameter